Be the first to review “79317” Cancel reply
Related products
QC Straight Shank Tap Holders
78360 Size: 3 Shank Size: 1.5 Proj.: 3.44 in Collar Dia.: 3.08 in
QC Tension Compression Tap Holders
78375 Size: 1 Shank Size: 1 Top Size: 0 – 9/16 in Proj.: 1.6 in Collar Dia.: 1.42 in Length Compensation Comp.: 0.3 in Length Compensation Tens.: 0.3 in
QC Straight Shank Tension Compression Holders
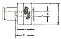
77821 Drive Type: Non-Ball Drive Adapter Size: #1 Tap Size Range: 0 – 9/16 HT to 1/8 SS PT Shank Size: 1 in Proj.: 3.63 in Shank Length: 3 5/8 in Body Dia.: 1.37 in A- Shank Size B- Proj. C- Shank Length D- Body Dia.
QC Straight Shank Tension Compression Holders
77822 Drive Type: Non-Ball Drive Adapter Size: #2 Tap Size Range: 0 – 7/8 HT to 1/8 – 1/2 SS PT Shank Size: 1 in Proj.: 4.88 in Shank Length: 3 5/8 in Body Dia.: 1.96 in A- Shank Size B- Proj. C- Shank Length D- Body Dia.
CV Tension Compression Tap Holders
77813 Drive Type: Non-Ball Drive Flange: Cat V Shank: 40 Adapter Size: 2 Tap Adapter Range: 0 to 7/8 HT Proj.: 5.76 in Diameter (B): 1.96 in Diameter (C): 2 in A- Proj. B- Diameter C- Diameter





Reviews
There are no reviews yet.